空气源热泵(原理、设计、选型、施工、调试)解析!
发布时间:2023-03-13浏览次数:2434
(2)调节流量 根据制冷负荷和发动机转速的变化情况自动调节制冷剂流量,使制冷系统始终保持最适宜的制冷量。
式中:Q —系统总制热能力,单位Kcal
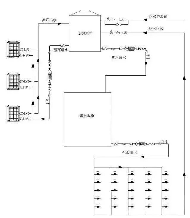
循环大小水箱工程系统图循环机组使用加热水箱和储热水箱分离设计,机组集中热量加热小水箱(加热水箱),时期温度到达设定温度后将热水放至大水箱(储热水箱),如此循环动作。
上一篇:蒸汽发生器的用途有哪些?
下一篇:没有了!


